![]() |
|
|
¡Õ ÅŸ»»öŵ 1-3 ¥¹¥¤¥Ã¥Á¥ó¥°ÅŸ»¤Îưºî¸¶Íý¤È²óÏ©Êý¼° 1-2 ľή°ÂÄ경ş»¤Ç¤â½Ò¤Ù¤¿¤è¤¦¤Ë¡¢ÅŸ»¤Ï¥¹¥¤¥Ã¥Á¥ó¥°Êý¼°¤È¥·¥ê¡¼¥ºÊý¼°¤ËÂçÊ̤Ǥ¤Þ¤¹¡£ ¢£ ưºî¸¶Íý ¿Þ1.5¤Ë¥¹¥¤¥Ã¥Á¥ó¥°ÅŸ»¤Î´ðËÜŪ²óÏ©¤È³ÆÉô¤ÎÉôÉÊ̾¤ò¼¨¤·¤Þ¤¹¡£
¿Þ1.5 ¥¹¥¤¥Ã¥Á¥ó¥°ÅŸ»¤Î´ðËܲóÏ©¤È³ÆÉô¤ÎÉôÉÊ̾ ¤³¤ÎÅŸ»¤Ç¤ÏÆþÎÏ(¸òή¡§AC)¤ò½ÐÎÏ(ľή¡§DC)¤ËÊÑ´¹¤·¤Þ¤¹¤¬¡¢¤³¤Î¤È¤¹â¼þÇȥȥé¥ó¥¹¤ò¶´¤ó¤Ç¸µ¤Î¥¨¥Í¥ë¥®¡¼¸¶Â¦(AC)¤ò¡Ö°ì¼¡Â¦¡×¡¢¥¨¥Í¥ë¥®¡¼¤¬ÅÁ㤵¤ì¤ë¦(DC)¤ò¡ÖÆó¼¡Â¦¡×¤È¸Æ¤Ó¤Þ¤¹¡£ ¤½¤ì¤Ç¤Ï¾å¿Þ¤ò»²¹Í¤Ë¥¹¥¤¥Ã¥Á¥ó¥°ÅŸ»¤Îưºî¸¶Íý¤òÀâÌÀ¤·¤Þ¤¹¤È¡¢ °Ê¾å¤¬¥¹¥¤¥Ã¥Á¥ó¥°ÅŸ»¤Î´ðËÜŪ¤Êưºî¸¶Íý¤Ç¤¹¡£ ¢£ ²óÏ©Êý¼° ¥¹¥¤¥Ã¥Á¥ó¥°ÅŸ»¤Î²óÏ©Êý¼°¤Ï¡¢"ľή(DC)¤ò¹â¼þÇȤθòή(AC)¤Ë¤·¡¢¤Õ¤¿¤¿¤Óľή(DC)¤Ë¤¹¤ë" DC-DC¥³¥ó¥Ð¡¼¥¿¤ÎÊý¼°¤Ë¤è¤Ã¤Æ¡¢¶èÊ̤µ¤ì¤Þ¤¹¡£ (1)¥·¥ó¥°¥ë¥Õ¥©¥ï¡¼¥ÉÊý¼°
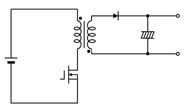
¿Þ1.6 ¥·¥ó¥°¥ë¥Õ¥©¡¼¥ÉÊý¼° ¤³¤ÎÊý¼°¤Ï¡¢¹½À®¤¬¥·¥ó¥×¥ë¤ÇÀ©¸æ¤â°ÂÄê¤Ë¤Ç¤¤ë¤¿¤á¡¢Â¿¤¯¤Î¥¹¥¤¥Ã¥Á¥ó¥°ÅŸ»¤Ç»ÈÍѤµ¤ì¤Æ¤¤¤Þ¤¹¡£ (2)¥Õ¥é¥¤¥Ð¥Ã¥¯Êý¼°(RCCÊý¼°¤È¤â¸À¤¤¤Þ¤¹)
¿Þ1.7 ¥Õ¥é¥¤¥Ð¥Ã¥¯Êý¼° ¤³¤ÎÊý¼°¤Ï¡¢ÉôÉÊÅÀ¿ô¤¬¾¯¤Ê¤¯¡¢ºÇ¤â¥·¥ó¥×¥ë¤ÊÊý¼°¤À¤¬¡¢Âç½ÐÎϤˤÏÉÔ¸þ¤¤Ç¾®ÍÆÎ̤ÎÅŸ»¤Ë¿¤¯»ÈÍѤµ¤ì¤Æ¤¤¤Þ¤¹¡£Ëô¡¢ÆþÎÏÅ۵ÈϰϤò¹¤¯¤È¤ì¤ëÆÃŤ¬¤¢¤ê¤Þ¤¹¡£ (3)¥×¥Ã¥·¥å¥×¥ëÊý¼°
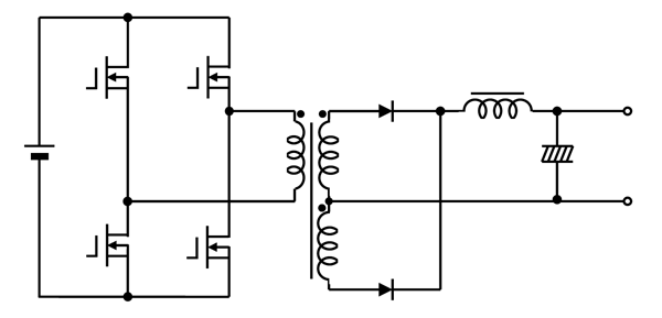
¿Þ1.8 ¥×¥Ã¥·¥å¥×¥ëÊý¼° ¤³¤ÎÊý¼°¤Ï¥¹¥¤¥Ã¥Á¥ó¥°ÁǻҤòÆó¤Ä»ÈÍѤ·¡¢¤½¤ì¤é¤ò¸ò¸ß¤ËON¤µ¤»¤ëÊý¼°¤Ç¡¢¥È¥é¥ó¥¹¤â¸ò¸ß¤Ë¶îư¤·¤Þ¤¹¡£¥È¥é¥ó¥¹¤ÎÊ짤ËÃí°Õ¤¬É¬ÍפǤ¹¡£ (4)¥Ï¡¼¥Õ¥Ö¥ê¥Ã¥¸Êý¼°
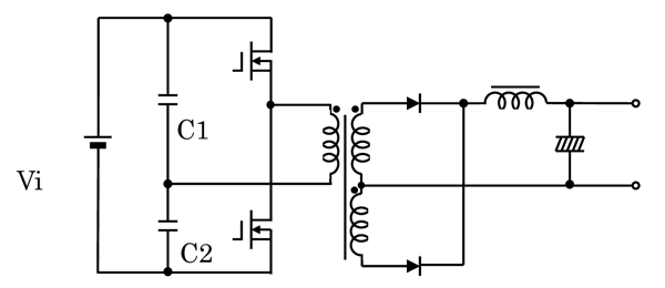
¿Þ1.9 ¥Ï¡¼¥Õ¥Ö¥ê¥Ã¥¸Êý¼° ưºî¤Ï¥×¥Ã¥·¥å¥×¥ëÊý¼°¤ÈƱÍͤǤ¹¤¬¡¢¥È¥é¥ó¥¹¤Ë¤«¤«¤ëÅ۵¤¬Vi¤Î1/2¤È¤Ê¤ë¤Î¤ÇÂѰµ¤ÎÄ㤤¥È¥é¥ó¥¸¥¹¥¿¤ò»ÈÍѤ¹¤ë¤³¤È¤¬¤Ç¤¤Þ¤¹¡£ (5)¥Õ¥ë¥Ö¥ê¥Ã¥¸Êý¼°
¿Þ1.10 ¥Õ¥ë¥Ö¥ê¥Ã¥¸Êý¼° ²óÏ©¹½À®¤ÏÊ£»¨¤Ç¤¹¤¬¡¢ÂѰµ¤ÎÄ㤤¥¹¥¤¥Ã¥Á¥ó¥°ÁǻҤ¬»ÈÍѤǤ¤Þ¤¹¡£¸úΨ¤¬Îɤ¯¡¢ÂçÍÆÎ̤ÎÅŸ»¤Ë»ÈÍѤµ¤ì¤Æ¤¤¤Þ¤¹¡£ (6)¥Þ¥°¥¢¥ó¥×(¼§µ¤ÁýÉý´ï)Êý¼°
¿Þ1.11 ¥Þ¥°¥¢¥ó¥×Êý¼° ¤³¤ÎÊý¼°¤Ï³Ñ·Á¥Ò¥¹¥Æ¥ê¥·¥¹ÆÃÀ¤ò»ý¤Ä¥¢¥â¥ë¥Õ¥¡¥¹Å´¿Ä¤Î¼§µ¤Ë°Ï¤òÍøÍѤ·¥Ñ¥ë¥¹Æâ¤Î°ÌÁêÀ©¸æ¤ÇÄêÅ۵À©¸æ¤ò¹Ô¤¦Êý¼°¤Ç¤¹¡£ (7)¹ß°µ¥Á¥ç¥Ã¥Ñ¡¼Êý¼°
¿Þ1.12 ¹ß°µ¥Á¥ç¥Ã¥Ñ¡¼Êý¼° ¤³¤ÎÊý¼°¤Ï¡¢¥È¥é¥ó¥¹¤¬¤Ê¤¯ÈóÀä±ï¥¿¥¤¥×¤ÇÄ㤤Å۵¤ËÊÑ´¹¤·¤Þ¤¹¡£ (8)¾º°µ¥Á¥ç¥Ã¥Ñ¡¼Êý¼°(¥Ö¡¼¥¹¥È¥³¥ó¥Ð¡¼¥¿Êý¼°¤È¤â¸À¤¤¤Þ¤¹)
¿Þ1.13 ¾º°µ¥Á¥ç¥Ã¥Ñ¡¼Êý¼° ¤³¤ÎÊý¼°¤Ï¡¢¥È¥é¥ó¥¹¤¬¤Ê¤¯ÈóÀä±ï¥¿¥¤¥×¤Ç¡¢¹â¤¤Å۵¤ËÊÑ´¹¤·¤Þ¤¹¡£
|
|
|


ÅŸ»»öŵ