<< Best Mixing of Power Supply >>
Renewable energy like solar power generation, hydraulic power generation,
and wind power generation is greatly expected due to clean energy,
and being developed and implemented as it has no limit of resources
and does not exhaust CO2 as well. However, it is very hard to supply
all power demand by only those systems. For example, in solar power
generation, energy resource is sunlight to supply electric power
generated by solar cells but, the power reduces when it is cloudy
or rainy. In addition, it does not generate power during the night.
Power generation by sunlight, hydraulic power, and wind power varies
due to climate condition and time of day. To supply power stably,
ingenuities are required.
Stable power supply is required corresponding to power demand which
changes every hour without causing blackout. To achieve this, we
need to combine efficiently those by totally reviewing each of power
generation systems, that is, thermal power, nuclear power, wind
power, solar light, etc., in terms of its characteristics, power
generation cost and effect to environment. Optimized power source
combination like this is called Best Mix of power source.
We, Nipron, have developed "Best Mix power supply" which
allows multiple channel outputs by combining supply mains, solar
battery, wind power generation, and battery as input sources at
a time.

Photo 6.1 Best Mix power supply images
<< What is Best Mix power supply? >>
Best Mix power supply (BPS) is uninterruptible power supply, Best
Mix power supply, which chooses most suitable input source from
several inputs. (See the photos on the right).
This is a next generation product we, Nipron, proudly present to
you.
The power supply operates with three input voltages, that is, supply
mains (AC 200V), solar battery output voltage (approx. DC 270V),
and Lead-acid battery (DC 108V) to provide power to lighting, disaster
prevention equipments, security devices, computers, and network
systems, and is currently working.
<< Background of Best Mix power supply research and
development >>
As shown in Certificate "7 Kin-sho No. 2010", Engineering
Development Subsidy Grant, issued by Kinki Regional Bureaus of International
Trade and Industry on 1 June, 1995, we tackled CO2 reduction and
global environment improvement by developing Best Mix power supply.
We developed three prototypes in 1996, and currently they are being
tested at our factory. It has three functions as shown below.
1) To utilize natural energy (free of charge) such as sunlight,
wind power as much as possible to supply energy to office lighting
and emergency electric lighting system for offices at blackout.
2) To store solar energy and extra power at midnight to battery
and to supply energy at max. consumption time from battery.
3) To backup computer network systems
With those functions above, It plays a role both for information
protection and energy saving, and gives more economical contribution.
We already have two patents including a US patent. Another patent
has been filed.
In our advanced information society, UPS installation is regarded
as natural to secure information. Recently, demand for it has rapidly
soared, and is expected to keep on further. However, Best Mix power
supply is an ideal product to replace UPS to achieve more economical
and general-purpose use. This power supply is believed to undertake
"Energy saving and Information security." As discussed
later, with Best Mix power supply and Nonstop power supply which
has a new technology granted as new technology company by the Ministry
of International Trade and Industry in 1996 combined and networked,
you can realize "Nonstop power line" that bring out further
added value.
<< Principle of Best Mix power supply >>

Figure 6.4 Best Mix power supply circuit diagram
Best Mix power supply has two converters and a best mix transformer
with high-frequency link built in. The differences with Nonstop
power supply are new addition of solar battery input as well as
supply mains and battery input (Another input such as wind power
generation is also available.), and multiple channel outputs. Each
output is electrically isolated, and in addition,, AC/DC output
at a time is available as commercial linkage inverter is built in.
Input side of the power supply connected with cathode of a diode
that is connected to output of solar battery, and it leads to high
frequency transformer. The operation principle of Best Mix power
supply is the same as Nonstop power supply. As solar battery, supply
mains (converter A), and battery (converter B) are connected to
transformer in parallel, input of higher voltage/turn ratio side
provides current. In the case that voltage/turn ratio of converter
A is higher, converter A provides power to secondary side and charges
battery as well. In the case that supply mains and solar voltage
decrease, or in blackout, input is switched to battery to keep output
without blackout. As there is a timing range when both converter
A and converter B to provide power at the same time on the way of
fall of input of converter A side, switching of operations between
converter A and B is very quick contributing to no blackout.

Figure 6.5 Operating principle
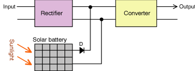
<< Input priority principle of solar battery >>
Why does solar battery input come first in the case that supply
mains and solar battery are connected at the same time?

Figure 6.6 Block diagram of input priority
of solar battery
Supply mains side of Best Mix power supply is a simple circuit
structure combining solar battery output and cathode of a diode
which is connected to supply mains output. Switching voltage of
input from solar voltage is constant in order to use output characteristics
of solar battery. Output voltage of rectified supply mains in the
figure is approx. DC 270V, and optimized operation point of solar
battery arrays is set to DC 270.4V (= 8 panels in series of 33.8V
output) D is Oring diode.

Figure 6.7 Solar battery output characteristics
According to the solar battery output characteristics in the figure,
when load current is small and battery is not being charged, operating
point is at N, for example, as battery voltage rises and load current
decreases. Next, when insolation degree decreases, or load current
increases operation point of solar battery goes down to 270V. If
solar battery is unable to provide energy, supply mains takes over
it by itself.
In the case that AC only fails, and solar battery and another battery
are connected, either solar battery or the battery which has higher
voltage or higher turn ratio has the priority to provide energy.
The transformer is designed so that the battery starts to provide
energy when the voltage of both supply mains and solar battery
falls below 150 to 170V.
As seen above, solar battery provides energy by priority. However,
if it is extremely cloudy, as the open voltage does not exceed 270V,
solar battery is unavailable.
You could say that this may be a demerit of constant voltage control.
Summarizing the features of Best Mix power supply
1) Only one transformer serves for all supplies by AC, DC, Charging,
and Discharging.
2) Higher efficiency than traditional UPS backup (Prototype system
gives 85% of efficiency).
3) No need to detect AC failure resulting in elimination of control
circuit of input switching
4) Response time at blackout is zero in theory. In reality, max.
response time is switching cycle in switching operation.
5) Both sides of AC and battery works at the same time receiving
the same cycle and phase of control pulse. Easy wave filtering due
to the same operating frequency
6) As to the order of input energy flow, higher voltage and turn
ratio gives the priority. Other inputs immediately start to flow
as soon as the input voltage in operation falls. When the voltage
and turn ratio of both inputs get closer each other, both currents
flows at a time.
<< Potential and Challenge of Best Mix power supply
>>
As discussed in preceding paragraph, at companies and general
household, appliances with high frequency inverter installed such
as power equipments and lightings are getting more and more popular
due to its high efficiency and energy saving. Electric equipments
including TVs, refrigerators, air conditioners, and computers can
work with only DC input, leading to considerable improvement of
power factor. When they spread over the country, 2 to 3 nuclear
power stations could be removed. As supply mains is once at least
converted to DC voltage in inverter built-in appliances used at
household, several conversions, such as AC to DC, DC to AC (high
frequency), are processed contributing to extra loss resulting in
20% of heat loss or more. In addition, AC to DC conversion gives
poor power factor, and it generates harmonic current (odd harmonic
currents equal to or higher than 3rd harmonic current) save basic
frequency of supply mains causing harmonic current disturbance.
Compared with the above, as this power supply system has adopted
direct conversion of DC to AC (high frequency), power loss would
be 10% or less. Also, the design gives the priority to natural energy
like solar battery as input voltage so that CO2 reduction is within
your reach. Besides, When this system is used as AC to DC converter,
you can clear IEC standard that sets forth harmonic current regulation
due to high power factor of 98% or higher.
As the outcome of Best Mix power supply developed this time, harmonic
current component has been suppressed under IEC standard level,
and power factor of 0.98 has been achieved with 85% or higher efficiency.
Our future challenges are the advanced circuit to reduce components,
design and development of remaining power measurement instrument
for battery and charging/discharging management circuit, cost control
in sales and manufacturing, and economic efficiency of performance. |