Nipronsitemapcontact
HomeProductsWhere to buyaboutinquitycontact
ProductsPower supply encyclopedia

 

1.3 Operation principle and circuit system of switching power supply

As mentioned above, stabilization mode of power supply is roughly classified into switching mode and series mode. Nowadays, power supply means switching system in many cases due to high efficiency and compact. Here, the mechanism of switching power supply is explained.

<< Operation principle >>
Basic circuit and components of switching power supply is shown in Figure 1.5.

Figure 1.5 Basic circuit and components of switching power supply
Figure 1.5 Basic circuit and components of switching power supply

- Rectifying bridge: To rectify AC current to one direction
- Electrolytic capacitor: To build up electricity and work to keep voltage
- High frequency transformer: To transfer energy from primary to secondary
- Control circuit: To control ON/OFF timing of switching device to stabilize secondary voltage

In this system, input (alternate current: AC) is converted to output (direct current: DC). Input side is called "Primary output side is called "Secondary" to which energy is transferred via high frequency transformer.

Now, referring to the diagram above, operation mechanism of switching power supply can be explained as follows,
(1) Connect alternate current (AC) to switching power supply.
(2) The AC is rectified by rectifying bridge and smoothed by primary electrolytic capacitor after that.
(3) Switching operation (repeated electric ON/OF operation) of switching device generates alternate current with high frequency.
(4) Energy (AC) is transferred via high frequency transformer to secondary side.
(5) Rectified by secondary diode and smoothed by secondary electrolytic capacitor, the energy is converted to DC (direct current) as output.
(6) To keep output voltage stabilized, switching is controlled through feedback system.

That is the basic operation principle of switching power supply.

<< Circuit method >>
Circuit method in switching power supply depends on "DC-DC converter's mode which converts DC to AC with high frequency, and again convert it back to DC." Also, in determining switching cycle of DC-DC converter, it is classified into two modes. One is called self-excitation mode whose switching block determines the switching cycle on its own. The other is called separate excitation mode (PWM mode) that has an oscillator to decide the frequency independently. Self-excitation mode's features are "Cost is low due to simple circuit structure," and "the frequency changes according to input voltage and load condition." Separate excitation mode's features are "Cost is generally high compared to self-excitation mode as it uses ICs," and "the frequency is constant." Also, there are another two modes when energy is transferred from primary to secondary. One is called forward mode where the energy is transferred during ON period, and the other is called flyback mode where the energy is transferred during OFF period.

(1) Single forward

Figure 1.6 Single forward
Figure 1.6 Single forward

This mode is used in many switching power supplies due to simple structure and stable control. (Adopted in our Nonstop power supplies in many cases). Separate excitation mode is mostly used from small power to high power as well. Disadvantage is poor usability of transformer.

(2) Flyback (called RCC)

Figure 1.7 Flyback
Figure 1.7 Flyback

This mode need a few components and is the simplest mode, but not suitable to high power. This is mostly adopted to small power, but input voltage range is wide.

(3) Push-pull

Figure 1.8 Push-pull
Figure 1.8 Push-pull

This mode uses two switching devices and coils to turn on alternately. Bias magnetism of transformer is critical.

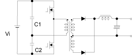
(4) Half-bridge

Figure 1.9 Half-bridge
Figure 1.9 Half-bridge

Operation is the same as push-pull mode, but as the applied to transform is half of Vi, low voltage transistors can be used. The usability of transformer is better, but the temperature rise of each capacitor caused by switching current that flows in capacitors is critical.

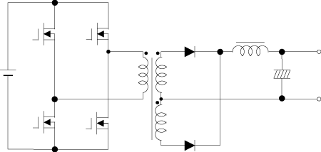
(5) Full-bridge

Figure 1.10 Full-bridge
Figure 1.10 Full-bridge

Circuit structure is complicated, but low voltage switching devices can be used. It gives high efficiency and is adopted to high power. Usability of transformer is the highest of all. Critical points are bias magnetism and penetration current between upper and lower devices (FETs).

(6) MagAmp (Magnetic amplifier)

Figure 1.11 Magnetic amplifier
Figure 1.11 Magnetic amplifier

This mode is to control phase in pulse utilizing magnetic saturation of amorphous core which has rectangular hysteresis property to stabilize output voltage.

(7) Step-down chopper

Figure 1.12 Step-down chopper
Figure 1.12 Step-down chopper

This mode is non-insulated type to convert to low voltage without transformer.

(8) Step-up chopper (also called flyback)

Figure 1.13 Step-up chopper
Figure 1.13 Step-up chopper

This mode is non-insulated type to convert to high voltage without transformer.

 

NEW TOPICS
NIPRON WEB SERVICE